
前置頂液壓油缸(帶外套筒) TG200系列(公路重載系列)
液壓缸三大優勢:
Ø 更長的使用壽命
通過優化結構設計和減少缸徑,增加限位緩沖設計,降低系統壓力波動和壓力沖擊,延長舉升液壓系統各零部件使用壽命!
Ø 更強的穩定性
佳恒公路重載系列油缸進行穩定性優化設計,提高長箱體舉升過高時穩定性,降低側翻風險!
Ø 更大的舉升力
佳恒公路重載系列油缸較其他同系列產品舉升力提升15%~20%。更大的舉升力,更多裝載帶來更多收益!更輕的自重,更大的舉升力,更顯輕盈!
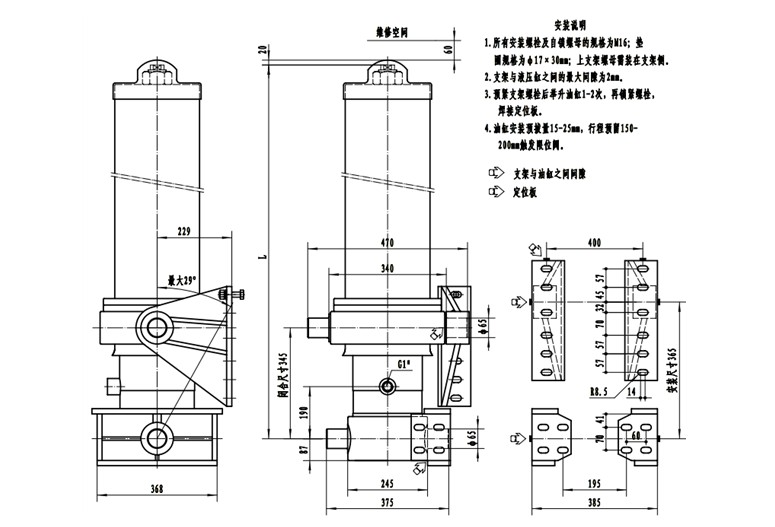
外形安裝尺寸:
